728x90

문제 바로가기
01번 – 준비작동식 스프링클러설비의 회로 계통도, 가닥수
![]() 1. 계통도에 표시된 접점의 명칭 2. 계통도에 표시한 □안에 들어갈 적당한 그림기호를 표시하기 3. ① ~ ⑥ 의 전선의 최소 가닥수를 구하여라. ① ② ③ ④ ⑤ ⑥ |
| 답 1. 2. ![]() 3. ① 4가닥 : (회로, 회로공통) × 2 // 감지기 ↔ 감지기 ② 8가닥 : (회로2, 회로공통2) × 2 // 감지기 ↔ SVP ③ 2가닥 : 사이렌2 // SVP ↔ 사이렌 ④ 9가닥 : 전원(+),(-), 전화선, 사이렌, 감지기A,B, 압력스위치, 탬퍼스위치, 솔레노이드밸브 // SVP ↔ SVP ⑤ 15가닥 : 전원(+),(-), 전화선, (사이렌, 감지기A,B, 압력스위치, 탬퍼스위치, 솔레노이드밸브) × 2 // SVP ↔ SVP ⑥ 21가닥 : 전원(+),(-), 전화선, (사이렌, 감지기A,B, 압력스위치, 탬퍼스위치, 솔레노이드밸브) × 3 // SVP ↔ 수신기 |
02번 – 감지기 수고치에 따른 현상
| 공기관식 차동식 분포형 감지기의 3정수시험 중 접점수고(간격)시험시 수고치가 다음에 해당하는 경우에 각각 나타나는 현상 1. 비정상적인 경우 2. 낮은 경우 3. 높은 경우 |
| 답 1. 감지기 오동작 또는 지연동작 2. 비화재보, 오동작 (감도가 예민하여 비화재보) 3. 실보, 지연동작 (감도가 둔하여 실보) |
03번 – 수동으로 화재신호를 발신하는 P형 발신기세트 도면에서 물량 산출하기
![]() 1. 발신기세트와 수신기 간의 배선길이가 15m인 경우 전선은 총 몇 m가 필요한지 산출하여라. 층고, 할증 및 여유율 등은 고려하지 않는다. 2. 해당 건물에 설치된 감지기가 2종이고 천장의 높이는 5m인 경우 8개의 감지기가 최대로 감지할 수 있는 감지구역의 바닥면적[㎡] 합계를 구하여라. 3. 감지기와 감지기 간, 감지기와 P형 발신기세트 간의 길이가 각각 10m인 경우 전선관 및 전선물량을 산출과정과 함께 쓰시오. (단, 층고, 할증 및 여유율 등은 고려하지 않는다.) ① 전선관 16C : ② 전선 2.5mm2 : |
| 답 1. 90m : 15m × 6가닥 = 90 ※ 발신기 세트 ↔ 수신기 6가닥 : 회로, 회로공통, 경종, 표시등, 공통(경종,표시등), 응답선 2. 75㎡ × 8 개 = 600㎡ ![]() 3. ① 전선관 16C : 10 × 9 = 90m ② 전선 2.5mm2 : 10 × (8×2) + 10 × 4 = 200m ※ 감지기 ↔ 감지기 2가닥 : 회로, 회로공통 ※ 감지기 ↔ 발신기 4가닥 : 회로, 회로공통 |
04번 – 공기관식 감지기 시험방법
| 1. 검출부의 시험공 또는 공기관의 한쪽 끝에 ( )를 접속하고 시험코크 등을 유통시험 위치에 맞춘 후 다른 끝에 ( )를 접속시킨다. 2. ( )로 공기를 주입하고 ( ) 수위를 눈금의 0점으로부터 100㎜ 상승시켜 수위를 정지시킨다. 3. 시험코크 등에 의해 송기구를 개방하여 상승수위의 1/2까지 내려가는 시간( )을 측정한다. |
|
| 답 1. 검출부의 시험공 또는 공기관의 한쪽 끝에 마노미터를 접속하고 시험코크 등을 유통시험 위치에 맞춘 후 다른 끝에 테스트펌프를 접속시킨다. 2. 테스트펌프로 공기를 주입하고 마노미터 수위를 눈금의 0점으로부터 100㎜ 상승시켜 수위를 정지시킨다. 3. 시험코크 등에 의해 송기구를 개방하여 상승수위의 1/2까지 내려가는 시간(유통시간)을 측정한다. |
05번 – 연기감지기를 설치할 수 없는 경우 차동식 분포형 감지기 1 ․ 2종 모두 적응성이 있는 환경상태
| ① ② ③ ④ ⑤ |
|
| 답 ① 먼지 또는 미분 등이 다량으로 체류하는 장소 ② 부식성가스가 발생할 우려가 있는 장소 ③ 배기가스가 다량으로 체류하고 있는 장소 ④ 연기가 다량으로 유입할 우려가 있는 장소 ⑤ 물방울이 발생하는 장소 |
06번 – 수직경계구역
![]() * 지하 3층 및 지상 14층 * 각 층의 높이가 3.3m인 소방대상물 * 수직경계구역 설정 1. 건축단면도상에 표시된 엘리베이터 권상기실과 계단실에 감지기를 설치해야 하는 위치를 찾아 연기감지기의 그림기호를 이용하여 도면에 그려 넣기 2. 본 소방대상물에 자동화재탐지설비의 수직경계구역의 회로 구분 엘리베이터 권상기실 ( )회로 + 계단 ( )회로 = 합계 ( )회로 3. 연기가 멀리 이동해서 감지기에 도달하는 장소에 설치하는 연기감지기의 종류 ① |
| 답 & 해설 1. ![]() ※ 3.3m × 4개층 = 13.2m, 3.3m × 5개층 = 16.5m이므로 최상층부터 4개층마다 1개씩 설치한다. ※ 계단 및 경사로는 수직거리 15m마다 1개이상으로 설치하여야 한다. (3종은 10m마다) 2. 2. 엘리베이터 권상기실 2회로 + 계단 3회로 = 합계 5회로 * 엘리베이터 권상기실 2회로 ※ 계단·경사로·엘리베이터 승강로·린넨슈트·파이프 피트 및 덕트 기타 이와 유사한 부분에 대하여는 별도로 경계구역을 설정한다. * 지하층 계단실 1회로 + 지상층 계단실 2회로 : 계단 3.3m × 15개층 = 49.5m ※ 계단 및 경사로의 하나의 경계구역은 높이 45미터 이하로 하고, 지하층의 계단 및 경사로(지하층의 층수가 1일 경우는 제외한다)는 별도로 하나의 경계구역으로 하여야 한다. 3. ① 광전식 스포트형 ② 광전식 분리형 ③ 광전 아날로그식 스포트형 ④ 광전 아날로그식 분리형 |
07번 – 스위칭회로의 접점수를 최소화하여 스위칭회로 그리기
![]() 1. 논리식을 이용하여 최소화하는 과정을 모두 기술하기 2. 최소화한 스위칭회로 그리기 |
| 답 1. ![]() 2. ![]() |
08번 – 축전지 용량 및 축전지 방전상태
* 용량환산시간계수![]() 비상용 조명설비의 부하가 30W 120등, 60W 60등이 있다. 방전시간은 30분, 연축전지HS형 54셀, 허용최저전압 90V, 최저축전지온도 5℃이고 전압은 100V, 보수율은 0.8일 때 다음 물음에 답하여라. 1. 필요한 축전지용량[Ah] 2. 연축전지에서 CS형과 HS형의 방전상태 구분 ① CS형 : ② HS형 : |
|
| 답 1. ※ 축전지 용량 C [Ah], 보수율 L, 용량환산시간계수 K, 전류 I [A] ※ 표에서 용량환산시간계수를 구하기 위해서 셀당 전압을 구하면 1.7 [V/cell] : 90 ÷ 54 = 1.667 2. ① 부하에 따라 일정한 방전전류를 가진다. ② 부하에 따라 방전전류가 급격히 변한다. |
09번 – 공기관식 차동식 분포형 감지기
![]() * 주요구조부 : 내화구조 * 소방대상물의 공기관식 차동식 분포형 감지기의 설치도면 1. 내화구조일 경우의 공기관 상호간의 거리와 감지구역의 각 변과의 거리는 몇 m 이하가 되도록 하여야 하는지 도면에 작성하기 2. 공기관의 노출부분의 길이는 몇 m 이상 3. 종단저항을 발신기에 설치할 경우 차동식 분포형 감지기의 검출기와 발신기 간에 연결해야 하는 전선의 가닥수 4. 검출부의 설치높이 5. 검출부분에 접속하는 공기관의 길이는 몇 m 이하 6. 공기관의 재질 7. 검출부의 경사도는 몇 도 이하 |
|
| 답 & 해설 1. ※ 공기관과 감지구역의 각 변과의 수평거리는 1.5미터 이하가 되도록 하고, 공기관 상호간의 거리는 6미터(주요구조부를 내화구조로 한 특정소방대상물 또는 그 부분에 있어서는 9미터) 이하가 되도록 할 것 ![]() 2. 20m 이상 3. 4가닥 4. 바닥으로부터 0.8m 이상 1.5m 이하 5. 100m 이하 6. 중공동관 (가운데 공간이 있는 동관) 7. 5도 ※ 검출부는 5도 이상 경사되지 아니하도록 부착할 것 |
10번 – 옥내소화전설비의 블록선도
![]() 내화배선, 내열배선, 일반배선 표시하기 |
|
답![]() |
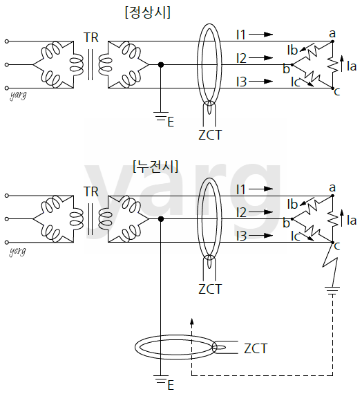
11번 – 누전경보기의 결선도를 보고 정상상태 및 누전상태의 선전류 구하기
![]() * 3상 교류회로에 설치된 누전경보기의 결선도 * 정상상태와 누전 발생 시 키르히호프의 제1법칙을 적용하여 선전류 및 선전류의 벡터합 구하기 1. 정상상태시 선전류 ① a점 : I'1 = ② b점 : I'2 = ③ c점 : I'3 = 2. 정상상태시 선전류의 벡터합 I'1 + I'2 + I'3 = 3. 누전시 선전류 ① a점 : I'1 = ② b점 : I'2 = ③ c점 : I'3 = 4. 누전시 선전류의 벡터합 I'1 + I'2 + I'3 = |
|
| 답 1. ① a점 : I'1 = I'b - I'a ② b점 : I'2 = I'c - I'b ③ c점 : I'3 = I'a - I'c 2. I'1 + I'2 + I'3 = ( I'b - I'a ) + ( I'c - I'b ) + ( I'a - I'c ) = 0 3. ① a점 : I'1 = I'b - I'a ② b점 : I'2 = I'c - I'b ③ c점 : I'3 = I'a - I'c + I'g 4. I'1 + I'2 + I'3 = ( I'b - I'a ) + ( I'c - I'b ) + ( I'a - I'c + I'g ) = I'g ※ 키르히호프의 제1법칙 : 들어오는 전류와 나가는 전류의 총합이 같다. ※ 전류의 방향이 다르면 (-), 누전시 지락 전류 (Ig)발생으로 누전시 c점의 선전류가 다르다. |
12번 – 보상식과 열복합형 감지기 상호 비교
![]() |
|
답![]() ※ 실보 : 화재가 발생했을 때 경보가 울리지 않는 것 ※ 비화재보 : 화재가 발생하지 않았는데 경보가 울리는 것 |
13번 – 타임차트 작성하기
| 회로에서 램프 L의 작동을 주어진 타임차트에 표시하여라. * PB : 누름버튼스위치, LS : 리미트스위치, X : 릴레이 1. ![]() 2. ![]() |
|
| 답 1. ![]() 2. ![]() |
14번 – 경종, 표시등의 소요전류와 전압강하 구하기
| * 경비실에서 400m 떨어진 공장(지상 6층, 지하 1층) * 각 층별로 발신기가 2개씩 설치 * 사용된 전선 : HFIX 2.5㎟ * 발신기 경종 : 50㎃/개, 표시등 : 30㎃/개 1. 1층에서 화재가 발생하였을 경우 경종, 표시등의 공통선에 대한 소요전류 2. 1층에서 화재가 발생하였을 경우 경종, 표시등의 공통선에 대한 전압강하 |
|
| 답 1.12 [A] : (경종 50㎃ + 표시등 30㎃) × (7 × 2) = 1120 [㎃] 2. ※ 전압강하 e [V], 거리 L [m], 전류 I [A], 전선의 단면적 A [㎟] ![]() ※ 지상 11층 (공동주택의 경우 16층) 미만인 건물로 일제경보방식 건축물이다. |
15번 – 금속관공사 노출배관의 자재 명칭
![]() 1. ①~④의 자재 명칭 ① ② ③ ④ 2. 그림의 ⑤ 대신 아래진 자재를 활용한다고 할 때, ⑤의 명칭 ![]() |
| 답 1. ① 커플링 ② 새들 ③ 환형 3방출 정션박스 ④ 새들 2. ⑤ 노멀밴드 |
16번 – 자동화재탐지설비 공사의 인건비 산출하기
| 어느 건물의 자동화재탐지설비 공사에 소요되는 자재물량과 주어진 품셈을 이용하여 내선전공의 노임요율과 공량의 빈 칸을 채워 인건비를 산출하여라. <조건> * 공구손료는 인건비의 3%, 내선전공의 M/D는 100,000원을 적용한다. * 콘크리트박스는 매입을 원칙으로 하며, 박스커버의 내선전공은 적용하지 않는다. |
![]() |
![]() |
| 문제1. 내선전공의 노임요율 및 공량 | |||||
| 품명 | 규격 | 단위 | 수량 | 노임요율 | 공량 |
| 수신기 | P형 5회로 | EA | 1 | ||
| 발신기 | P형 | EA | 5 | ||
| 경종 | DC-24V | EA | 5 | ||
| 표시등 | DC-24V | EA | 5 | ||
| 차동식 감지기 | 스포트형 | EA | 60 | ||
| 전선관(후강) | steel 16호 | m | 70 | ||
| 전선관(후강) | steel 22호 | m | 100 | ||
| 전선관(후강) | steel 28호 | m | 400 | ||
| 전선 | 1.5㎟ | m | 10000 | ||
| 전선 | 2.5㎟ | m | 15000 | ||
| 콘크리트박스 | 4각 | EA | 5 | ||
| 콘크리트박스 | 8각 | EA | 55 | ||
| 박스커버 | 4각 | EA | 5 | ||
| 박스커버 | 8각 | EA | 55 | ||
| 계 | |||||
| 문제1 해설. 내선전공의 노임요율 및 공량 | |||||
| 품명 | 규격 | 단위 | 수량 | 노임요율 | 공량 |
| 수신기 | P형 5회로 | EA | 1 | 100,000원 | 6+(5×0.3) = 7.5 |
| 발신기 | P형 | EA | 5 | 100,000원 | 5×0.3 = 1.5 |
| 경종 | DC-24V | EA | 5 | 100,000원 | 5×0.15 = 0.75 |
| 표시등 | DC-24V | EA | 5 | 100,000원 | 5×0.2 = 1 |
| 차동식 감지기 | 스포트형 | EA | 60 | 100,000원 | 60×0.13 = 7.8 |
| 전선관(후강) | steel 16호 | m | 70 | 100,000원 | 70×0.08 = 5.6 |
| 전선관(후강) | steel 22호 | m | 100 | 100,000원 | 100×0.11 = 11 |
| 전선관(후강) | steel 28호 | m | 400 | 100,000원 | 400×0.14 = 56 |
| 전선 | 1.5㎟ | m | 10000 | 100,000원 | 10000×0.010 = 100 |
| 전선 | 2.5㎟ | m | 15000 | 100,000원 | 15000×0.010 = 150 |
| 콘크리트박스 | 4각 | EA | 5 | 100,000원 | 5×0.12 = 0.6 |
| 콘크리트박스 | 8각 | EA | 55 | 100,000원 | 55×0.12 = 6.6 |
| 박스커버 | 4각 | EA | 5 | - | - |
| 박스커버 | 8각 | EA | 55 | - | - |
| 계 | 348.35 | ||||
| 문제 2. 인건비 구하기 | ||||
| 품명 | 단위 | 공량 | 단가 [원] | 금액 [원] |
| 내선전공 | 인 | |||
| 공구손료 | 식 | |||
| 계 | ||||
| 문제 2 해설. 인건비 구하기 | ||||
| 품명 | 단위 | 공량 | 단가 [원] | 금액 [원] |
| 내선전공 | 인 | 348.35 | 100,000 | 34,835,000 |
| 공구손료 | 식 | 3% | 34,835,000 | 1,045,050 |
| 계 | 35,880,050 | |||
* 다음회차 보러가기
소방설비기사(전기) 실기 2017년 1회 기출문제 & 해설
문제 바로가기01번 – 배연창설비의 배선수와 배선용도[비고] 1. 전선 1본에 대한 숫자는 접지선 및 직류로의 전선에 적용한다. [비고] 2. 이 표는 실험결과와 경험을 토대로 하여 결정한 것이다. *
ybgray.tistory.com
* 2분할로 보러가기
소방설비기사(전기) 실기 2016년 4회 기출문제풀이 (1~9번)
문제 바로가기01번 – 스프링클러설비 계통도, 가닥수준비작동식 스프링클러설비의 회로계통도를 보고 다음 물음에 답하여라.문제해설1. 계통도에 표시된 접점의 명칭을 작성하여라.2. 계통도
ybgray.tistory.com
728x90
'자격증 공부하기 > 소방설비기사(전기) 실기' 카테고리의 다른 글
| 소방설비기사(전기) 실기 2017년 2회 기출문제 & 해설 (0) | 2025.07.23 |
|---|---|
| 소방설비기사(전기) 실기 2017년 1회 기출문제 & 해설 (1) | 2025.07.22 |
| 소방설비기사(전기) 실기 2016년 2회 기출문제 & 해설 (0) | 2025.07.17 |
| 소방설비기사(전기) 실기 2016년 1회 기출문제 & 해설 (0) | 2025.07.15 |
| 소방설비기사(전기) 실기 2015년 4회 기출문제 & 해설 (1) | 2025.07.13 |



























